
产品名称:TCJS、TCJY硬齿面减速机
产品类别:圆柱齿轮减速器(硬齿面减速机)系列
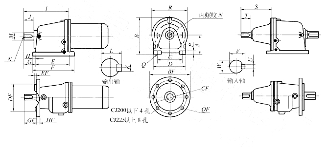
产品型号:TCJS、TCJY
(1)减速器适用于连续和正反双向运转;
(2)减速器的工作环境温度为-40~+45℃;
(3)减速器采用油池润滑,油面高度保持在油位塞中部。
1.TCJ系列圆柱齿轮减速机的用途
TCJ系列圆柱齿轮减速机星理想动力传动装转置,它广泛适用于各行业。例如:造纸机械、包装机械、建筑机械、冶金矿山机械、起重机械和水泥、橡胶、印刷、制糖、食品、能源环保设备,特别适用于输送机、升降机、搅拌机械。
2.TCJ系列圆柱齿轮减速机的特点。
1设计先进;安装位置可满足B3、B5、B5、B6、B7、B8、V1及V5等七种安装方式。
2结构紧凑、体积小:输入与输出轴在同一轴线上,使减速机具有最小的外形。
3运动平稳,噪音低:齿轮经渗碳淬火,磨齿加工,精度高。
4速比级差小,效率高:速比范围4:1~100:1按公比1.122排列,效率在95%以上。
5使用可靠、寿命长
上一页:TC系列齿轮减速器
下一页:LC硬齿面减速机